[ADS] Top Ads

1988 Toyotum Pickup Wiring Diagram

Repair Guides Wiring Diagrams Wiring Diagrams Autozone Com

Repair Guides Wiring Diagrams Wiring Diagrams Autozone Com

1989 Toyota 4runner Fuse Diagram Wiring Diagram Files

85toyotapickupwiringdiagram Diagram Besides 1992 Toyota Pickup

Repair Guides Wiring Diagrams Wiring Diagrams Autozone Com

89 Toyota Pickup Wiring Diagram Premium Wiring Diagram Blog

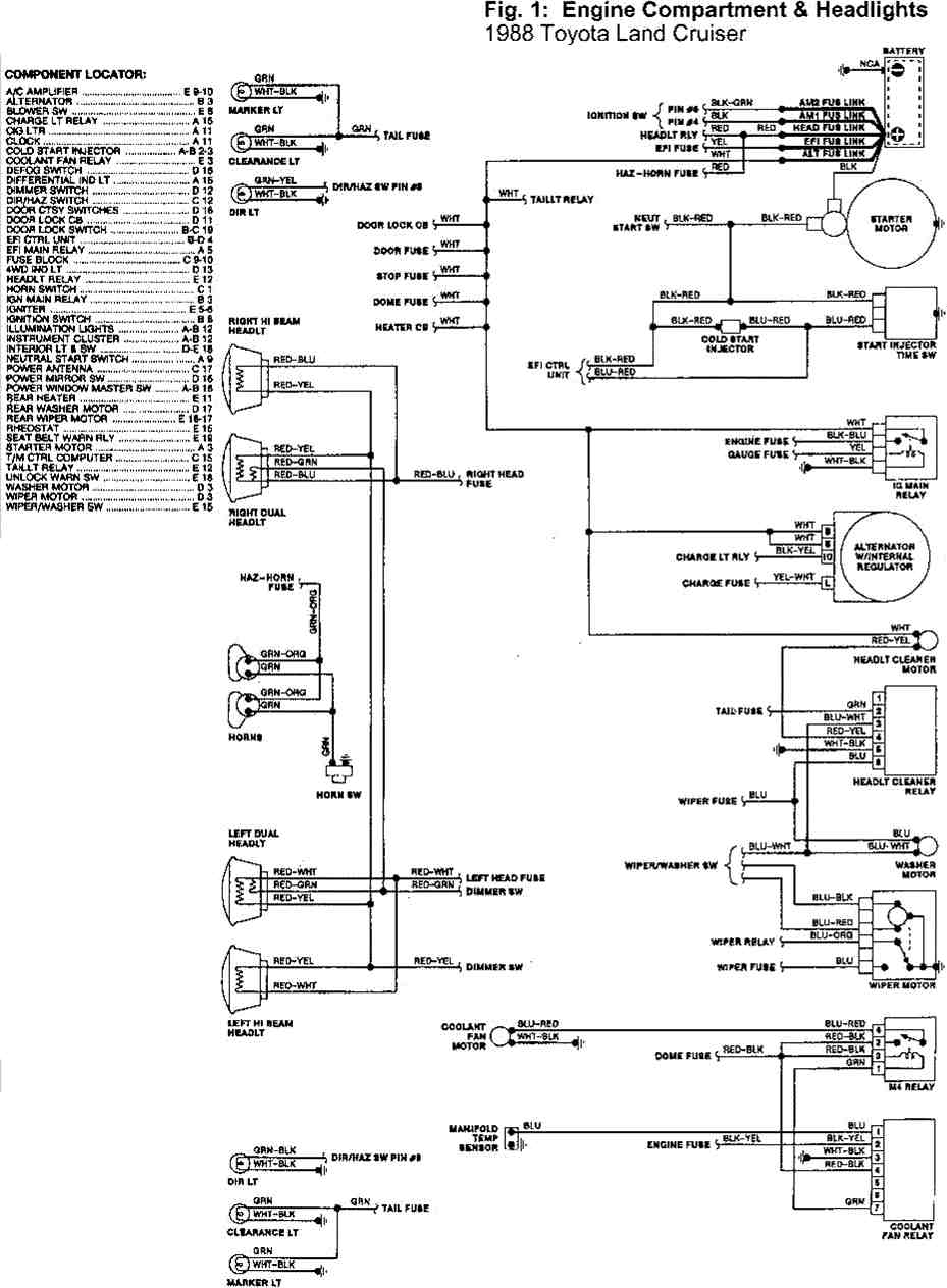
1988 Toyota Wiring Diagram Wiring Diagram Page

1989 Toyota Wiring Diagram Electrical Schematic Wiring Diagram

Repair Guides Wiring Diagrams Wiring Diagrams Autozone Com

Wiring Diagram 89 Toyota Pickup Wiring Diagram Files

85toyotapickupwiringdiagram Diagram Besides 1992 Toyota Pickup

89 Toyota Pickup Wiring Diagram Premium Wiring Diagram Blog

1988 Toyota Wiring Diagram Wiring Diagram Page

1988 Toyota Pickup 22r Distributor Moreover Toyota Corolla Wiring

1988 Toyota Pickup 22r Distributor Moreover Toyota Corolla Wiring

1989 Toyota Wiring Diagram Electrical Schematic Wiring Diagram

1986 1987 1988 Toyota Pickup Rear Bed Tail Lights Gas Tank Wiring

Wiring Diagram Toyota Cressida Wiring Circuit Diagrams Data

88 Toyota Fuse Box Wiring Diagram Page

85toyotapickupwiringdiagram Diagram Besides 1992 Toyota Pickup

Pickup Vacuum Diagram As Well 1994 Toyota Pickup 22re Vacuum Diagram

1974 Toyota Hilux Wiring Wiring Diagram Centre

1988 Toyota Pickup 22r Distributor Moreover Toyota Corolla Wiring

Toyota 22r Wiring Diagram Wiring Diagram Standard

Toyota Corolla Timing Marks 1992 Toyota 4runner Vacuum Diagram

1989 Toyota 4runner Fuse Diagram Wiring Diagram Files

1988 Toyota Wiring Diagram Wiring Diagram Page

Wiring Diagram For 96 Toyota 4runner Wiring Diagram Pos

89 Toyota Pickup Fuse Diagram Wiring Diagram

Coil 1988 Toyota 22re Vacuum Diagram Toyota Pickup Fuel Filter

Toyota Ecu Wiring Diagrams Wiring Diagram

Repair Guides Wiring Diagrams Wiring Diagrams Autozone Com

Diagram In Addition 91 Toyota Pickup Engine On 88 Toyota Pickup 22r

22re Relay Diagram Blog Wiring Diagram

1980 Toyota Pickup Radio Diagram Wiring Diagram Page

1989 Toyota Pickup Engine Diagram Share Circuit Diagrams

1988 Toyota Corolla Fuse Box Diagram Premium Wiring Diagram Blog

1988 Toyota Pickup 22r Distributor Moreover Toyota Corolla Wiring

1989 Toyota Wiring Diagram Electrical Schematic Wiring Diagram

Diagram In Addition 91 Toyota Pickup Engine On 88 Toyota Pickup 22r

Coil 1988 Toyota 22re Vacuum Diagram Toyota Pickup Fuel Filter

91 S10 Wiring Harness Wiring Diagram Files

88 Toyota Fuse Box Wiring Diagram Page

1988 Toyota Pickup 22r Distributor Moreover Toyota Corolla Wiring

1989 Toyota Celica Wiring Diagram Wiring Diagram Center

1989 Toyota Pickup Vacuum Hose Diagram Likewise 2000 Ford Ranger

Wrg 3497 88 Toyota Pickup Wiring Diagram

88 Toyota Fuse Box Wiring Diagram Page

1988 Toyota Pickup 22r Distributor Moreover Toyota Corolla Wiring

1988 Toyota Pickup Wiring Diagram Air Conditioning Wiring Library

Toyota 3 0 V6 Engine Diagram Moreover Toyota 22re Vacuum Hose

89 Toyota Pickup Fuse Diagram Wiring Diagram

Coil 1988 Toyota 22re Vacuum Diagram Toyota Pickup Fuel Filter

1988 Toyota Pick Up Wiring Harness Wiring Diagram Guide For Dummies

1989 Toyota Pickup Vacuum Hose Diagram Likewise 2000 Ford Ranger

22re Relay Diagram Blog Wiring Diagram

1989 Toyota Celica Wiring Diagram Wiring Diagram Center

1988 Toyota Pickup 22r Distributor Moreover Toyota Corolla Wiring

1989 Toyota Pickup 22re Vacuum Diagram Wiring Diagram Page

1984 Toyota 4runner Wiring Diagram Wiring Diagram

1988 Toyota Pickup Wiring Diagram Wiring Diagram

Wrg 7799 1988 Toyota Pick Up Wiring Harness

1988 Toyota Pickup Wiring Diagram Unique Toyota Alternator Wiring

Wrg 9829 81 Toyota Pickup Wiring Diagram

88 Toyota Pickup Wiring Diagram Lovely 1988 Ford F 150 Starter

Wrg 4669 88 Toyota Pickup 22r Wiring Diagram

1988 Toyota Pickup Wiring Diagram Unique Toyota Alternator Wiring

Toyota Pickup Wiring Diagram For Alternative 1989 Toyota Pickup Fuse

1989 Chevy Pickup Wiring Diagram Wiring Diagram

1988 Toyota Pickup Wiring Diagram Unique Toyota Alternator Wiring

1988 Ford F150 Wiring Diagram Marvelous Faq Fuse Box Diagram Ford

88 Toyota Pickup Wiring Diagram New Volvo Trailer Wiring Diagram

1988 Toyota Pickup Wiring Diagram Air Conditioning Wiring Diagram

Wrg 2262 Nissan D21 Wiring Diagram Fuse

1988 Toyota Pickup Wiring Diagram Unique Toyota Alternator Wiring

88 Toyota Pickup 22r Wiring Diagram Wiring Diagram

1988 Toyota Pickup Wiring Diagram Air Conditioning Wiring Diagram

1988 Toyota Pickup Wiring Diagram Awesome Wiring Diagram For 1989

Wrg 7963 1986 Toyota Pickup Engine Diagram

1988 Toyota Pickup Wiring Diagram Unique Toyota Alternator Wiring

1993 Toyota Pickup Truck Wiring Diagram Manual Original 1 Wiring

1988 Toyota Pickup Wiring Diagram Unique Toyota Alternator Wiring

1988 Toyota Pickup Wiring Diagram Unique Toyota Alternator Wiring

1993 Toyota Pickup Truck Wiring Diagram Manual Original 1 Wiring

1988 Toyota Pickup Wiring Diagram Unique Toyota Alternator Wiring

1981 Toyota Pickup Wiring Diagram Awesome 1994 Mitsubishi 3000gt

1988 Toyota Pickup Wiring Diagram Unique Toyota Alternator Wiring

1988 Toyota Pickup Wiring Diagram Unique Toyota Alternator Wiring

88 Toyota Camry Wiring Diagram Wiring Diagram Library


Post a Comment

free page hit counter