[ADS] Top Ads

Wiring Diagram For Snapper Mower

Mower Wiring Diagram For Snapper Lawnmower Repair Lawn Mower

Snapper 281123bv 7800102 Snapper 28 Rear Engine Rider 11 Hp

Snapper 2812524bve 7800785 28 12 5 Hp Rear Engine Rider Series 24

Snapper 250815b Rear Engine Rider Series 15 Parts Diagram For

Snapper Mower Schematics Wiring Diagram Page

Snapper 2813523bve 7085624 Snapper 28 Rear Engine Rider 13 5 Hp

Snapper Wiring Diagram Data Schematic Diagram

Snapper Riding Mower Wiring Harness Extended Wiring Diagram

Snapper Wiring Harness Blog Wiring Diagram

Snapper Riding Mower Wiring Harness Extended Wiring Diagram

Snapper Rider Wiring Explained Sorta Youtube

Snapper Wiring Diagram Data Schematic Diagram

Snapper Mower Wiring Harness Electrical Schematic Wiring Diagram

Snapper Wiring Harness Wiring Diagram Page

Wiring Diagrams For Snapper Mower Great Mowers Parts Diagram

Snapper Wiring Harness Wiring Diagram Files

Looking For Snapper Model 281016be Rear Engine Riding Mower Repair

Snapper Mower Schematics Wiring Diagram Files

Snapper Mower Wiring Diagram Wiring Diagram

Zero Turn Wiring Diagram Blog Wiring Diagram

Snapper Rear Engine Mower Wiring

Lawn Mowers Belt Routing Diagram Also Snapper Riding Lawn Mower

Wiring Diagram For Riding Lawn Mower Another Blog About Wiring Diagram

Belt Diagram For Snapper Zero Turn Autos Post Book Diagram Schema

Replacing The Solenoid In The Electric Start Snapper Riding Mower

Mower Wiring Schematic Wiring Diagram Page

Wiring Diagram For Riding Lawn Mowers Wiring Diagram Preview

Craftsman Riding Lawn Mower Wiring Diagram Download Electrical For

Snapper Mowers Lawn Tractor Diagram Wiring Diagram Files

Wiring Diagram For Riding Lawn Mowers Data Wiring Diagram Preview

Snapper Wiring Harness Blog Wiring Diagram

Snapper Lt16 Wiring Harness Wiring Diagram Show

Belt Diagram For Snapper Zero Turn Autos Post Book Diagram Schema

Snapper Zf2200k 82371 22 Hp Out Front Z Rider Series 0 Parts

Snapper Hzs15422kve Snapper 42 Zero Turn Mower 15 Hp Ztr Yard

Product Manuals Parts Lists Snapper

Riding Mower Starting System Wiring Diagram Part 1 Youtube

Solved Solenoid Wiring Diagram For A Snapper Re Riding Fixya

Snapper Lt16 Wiring Harness Wiring Diagram Show

Looking For Snapper Model 5900692 Rear Engine Riding Mower Repair

Ignition Switch For Craftsman Riding Lawn Mower Wiring Diagram

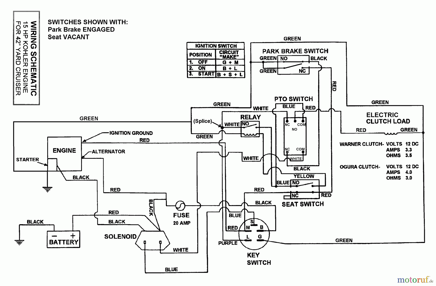
Snapper Yard Cruiser Parts Convictedrock Com

Wiring Diagram Snapper Rear Engine Mower

15488 Snapper Wiring Harness Electrical Schematic Wiring Diagram

Ferris Mower Wiring Diagram Wiring Diagram Update

Snapper Rear Engine Mower Parts Diagram And Snapper Lt12 Wiring

Wiring Diagram Snapper Rear Engine Mower

Snapper Mower Blades Rear Engine Rider Parts Diagram List And Blade

Wrg 2570 Snapper Sr1028 Wiring Diagram

Snapper Mower Schematics Wiring Diagram Page

12 5 Hp Murray Riding Lawn Mower Wiring Diagram Wiring Diagram G8

Snapper Rear Engine Riding Mower Wiring Schematic Wiring Diagram

Sears Rear Engine Riding Mower Rider Snapper Wiring Diagram Small

Snapper Tiller Parts Diagram For Wireing Diagram Snapper Sr 1433 31

Vintage Sears Tractors Wiring Diagrams Custom 7 Manual Home Diagram

Snapper Parts Diagram Wnwhouse Com

Snapper E280915be 28 9 Hp Rear Engine Rider Euro Series 15 Parts

Old Snapper Riding Mower Parts Snapchatloginonline

Snapper Yard Cruiser Parts Adolldesigns Info

Craftsman Lawn Mower Carburetor Diagram Snapper Riding Parts Wiring

Simple Lawn Mower Wiring Diagram Drjanedickson Com

Product Manuals Parts Lists Snapper

Snapper Mower Wiring Diagram Snapper Riding Lawn Mower Wiring

Ayp Wiring Diagram Wiring Diagram

Mower Wiring Diagram For Snapper Riding Belt Replacement Lt200

Snapper Pro Lawn Mower Wiring Diagram Wiring Diagram Database

Interlocks Snapper Riding Lawn Mower Wiring Diagram Wiring Diagram

Riding Snapper Engine Replacement Mower Rear Lawn Mowers In Used

Snapper Rear Engine Riding Mower Snapper Riding Mower Parts

Riding Lawn Mower Wiring Diagram Fresh Starter Solenoid Wiring

Wrg 7045 Snapper Ignition Switch Wiring Diagram

Snapper Yard Cruiser Parts Convictedrock Com

Parts Of Snapper Riding Mower Related Post Mowers Diagram Rear

Snapper Riding Mowers Parts Snapper Lawnmower Parts Snapper Mower

Snapper 7060959 36 Snow Blade For Rear Engine Riding Mower

Wiring Diagrams 8 Of 30 Table Wiring Diagram

Snapper 7800212 Lt24520 52 24hp Lawn Tractor Lt100 Series Parts

Manitou Wiring Diagram Wiring Diagram Wiring Diagram Database

Snapper Nullwendekreismaher Zero Turn Yz145333bve Snapper 33 Zero

Lawn Mower Wiring Diagram Cute Diagrams Lawn On Popscreen Diagram

Wiring Diagram 10 Hp Wiring Diagram Featured

Snapper Tiller Parts Diagram Of Snapper Lawn Mower Wiring Diagram

Snapper 42 21hp Zt Twin Stick Rider 150z Series Sc2142

Riding Snapper Engine Replacement Mower Rear Lawn Mowers In Used

Snapper Rear Engine Rider Wiring Diagram 49cc Pocket Bike Wiring

Snapper Engine Replacement Push Mower Hi Vac Series Lawn

Zero Turn Mower Drawing At Getdrawings Com Free For Personal Use

Snapper Re130 Wiring Diagram

Snapper Riding Mower Parts Diagram Wnwhouse Com

Snapper 42 15 Hp Ztr Yard Cruiser Series 0 Hz15420kve

Huskee Riding Lawn Mower Parts Diagram Yard Man Riding Mower Wiring

Snapper Nullwendekreismaher Zero Turn Hzs14330bve Snapper 33 Zero

Snapper Mower Schematics Wiring Diagram Files

Snapper Riding Mowers Parts Snapper Lawnmower Parts Snapper Mower

Wiring Diagram For Kubota Lawn Tractor Tractors Change Drive Belt On

Rear Engine Lawn Mowers Snapper Riding In Mower With Bagger Used

Mower Wiring Schematic Wiring Diagram Page

Mtd Wiring Diagrams Dapplexpaint Com

Riding Lawn Mower Starter Wiring Diagram Com Solenoid Snapper Sears

Lawn Mower Tractor Wiring Diagram En Repair Dale Parts Scotts Riding


Post a Comment

free page hit counter