[ADS] Top Ads

2000 Chevy Cavalier 22 Starter Wiring Diagram

How To Replace The Starter On A Chevy Cavalier 9 Steps

Solved I Forgot Where The Wires Go On The Starter Of My Fixya

Wiring Diagram To Starter I Have 5 Wires To Connect To Solenoid

Wiring Diagram To Starter I Have 5 Wires To Connect To Solenoid

2000 Chevrolet Cavalier Starter Wiring Questions With Pictures

Repair Guides Wiring Diagrams Wiring Diagrams Autozone Com

Wiring Diagram To Starter I Have 5 Wires To Connect To Solenoid

Starter Wiring Chevy Cavalier Electrical Schematic Wiring Diagram

2000 Chevy Cavalier Wiring Diagram All Wiring Diagram

Chevy Cavalier Starter Wiring Electrical Schematic Wiring Diagram

Repair Guides Wiring Diagrams Wiring Diagrams Autozone Com

2000 Chevrolet Cavalier Starter Wiring Questions With Pictures

Chevy Cavalier Starter Wiring Electrical Schematic Wiring Diagram

Cavalier Wiring Diagram Book Diagram Schema

2000 Chevy Cavalier Wiring Diagram All Wiring Diagram

Cavalier Starter Wiring Diagram Wiring Diagram Standard

2004 Chevy Cavalier 2 2 Engine Diagram Wiring Diagram Pos

Solved Hooked Up The Starter And And It Just Kind Of Fixya

Cavalier Wiring Diagram Blog Wiring Diagram

Wiring Diagram For 1995 Chevy Cavalier Wiring Diagram Files

Circuit Diagram For 1997 Chevrolet Cavalier Ccircuit Diagram World

1989 Chevy Cavalier Engine Diagram Premium Wiring Diagram Blog

Chevy Cavalier Thermostat 2 2 Engine Diagram On 2000 Chevy S10 2

Wiring Diagram For 97 Chevy Cavalier Free Download Wiring Diagram

Repair Guides Wiring Diagrams Wiring Diagrams Autozone Com

Starter Wiring Chevy Cavalier Electrical Schematic Wiring Diagram

2000 Chevy Cavalier Wiring Diagram All Wiring Diagram

Chevrolet Cavalier 19972000 22l Engine Schematic Diagram All About

Cavalier Wiring Diagrams Wiring Diagram Page

2004 Chevy Cavalier Ignition Wiring Diagrams Wiring Diagram Uk Data

2004 Chevy Cavalier 2 2 Engine Diagram Wiring Diagram Pos

Cavalier Wiring Diagram Wiring Diagram Page

Cavalier Wiring Diagrams Blog Wiring Diagram

The Original Mechanic How To Replace The Starter On A Gm 2 2l

Starter Replacement 04 Cavalier Youtube

2000 Chevy Cavalier Z24 Wiring Diagram Premium Wiring Diagram Blog

Chevrolet Cavalier Questions No Power At Pcm Inj Fuse Cargurus

Chevy 2 2 Engine Diagram Data Schematic Diagram

How To Replace Starter 96 98 Pontiac Sunfire Youtube

Repair Guides Starting System Starter Autozone Com

2004 Chevy Cavalier 2 2 Engine Diagram Wiring Diagram Pos

Cavalier Starter Wiring Diagram Wiring Diagram Standard

98 Chevy Cavalier Will Only Start When Jumping The Connections At

2003 Chevy Cavalier 2 2 Ecotec Engine Diagram Extended Wiring Diagram

2000 Chevy Cavalier Wiring Diagram All Wiring Diagram

Chevy Cavalier Thermostat 2 2 Engine Diagram On 2000 Chevy S10 2

2000 Chevy Cavalier Engine Will Not Turn Over Lost Power

How To Replace The Starter On A Chevy Cavalier 9 Steps

Chevrolet Cavalier 19972000 22l Engine Schematic Diagram All About

Wiring Diagram 2000 Chevrolet Cavalier On 1985 Ford Mustang Wiring

1998 Chevy S10 Wiring Diagram Schema Wiring Diagram

Amazon Com Db Electrical Sdr0277 Starter For Chevy Cavalier 2 2l

Cavalier Wiring Diagram Blog Wiring Diagram

Diagram Also Chevy Blazer 4 3 Engine Diagram Besides 2000 Chevy

Diagram Furthermore Chevy Horn Relay Wiring On 2001 Chevy Cavalier

1998 S10 Wiring Diagram Wiring Diagram Page

Motor Resistor Location Also 2000 Chevy Cavalier 2 2 Engine Diagram

Chevrolet Malibu Questions Alternator Relay Cargurus

Cavalier Starter Relay Wiring Diagram 1995 Wiring Diagram Database

2004 Chevy Cavalier 2 2 Engine Diagram Wiring Diagram Pos

2000 Blazer Wiring Diagram Data Schematic Diagram

2000 Chevy Cavalier Alternator Wiring Diagram Wiring Diagram

97 Cavalier Wiring Diagram Wiring Library

Likewise Chevy Brake Line Diagram On Chevy Cavalier Engine Diagram

Solved 04 Cavalier Starter Won T Engage Activate 1995 2005

Cavalier Wiring Diagrams Wiring Diagram

Repair Guides Wiring Diagrams Wiring Diagrams Autozone Com

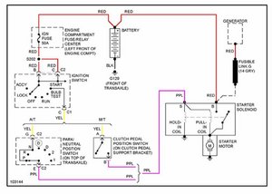
2000 Chevy Cavalier Starter Wiring Diagram Wiring Diagram

Chevy Cavalier Thermostat 2 2 Engine Diagram On 2000 Chevy S10 2

98 Chevy S10 Starter Wiring Diagram Wiring Diagram

Wiring Diagram For 2000 Chevy Cavalier Electrical Schematic Wiring

How To Replace The Starter On A Gm 2 2l Ecotec Engine In A Cobalt

Switch Chevy Cavalier Pontiac Sunfire 9505 1aautocom Youtube

Cavalier Wire Diagram Wiring Diagram Files

2000 Chevy Cavalier Engine Will Not Turn Over Lost Power

2000 Chevy Blazer Engine Diagram Wiring Diagram Database Blog

2000 Chevy Cavalier Starter Solenoid Wiring Diagram 2000 Cavalier

Chevy Lumina Door Lock Wiring Diagram Wiring Diagram Centre

How To Replace The Starter On A Chevy Cavalier 9 Steps

Solved 04 Cavalier Starter Won T Engage Activate 1995 2005

Wrg 1757 Starting Wiring Diagram 98 Chevy Cavalier

Cavalier Starter Relay Wiring Diagram 1995 Wiring Diagram Database

2000 Chevy Cavalier Engine Coolant Diagram Book Diagram Schema

1999 Chevrolet S10 2 2l Fuse Box Diagram Circuit Wiring Diagrams

Chevy S10 Wiring Diagram Wiring Diagram Option

Cavalier Starter Relay Wiring Diagram 1995 Wiring Diagram Database

Chevrolet Cavalier Coil Pack Diagram Questions Answers With

2000 Chevy Cavalier Engine Coolant Diagram Wiring Diagram Featured

83 S10 Starter Wiring Diagram Auto Electrical Wiring Diagram

Wiring Diagram 2000 Chevrolet Cavalier On 1985 Ford Mustang Wiring

2000 Chevrolet Caviler Engine Diagram Premium Wiring Diagram Blog

Chevy Cavalier Engine Diagram On Chevrolet Cavalier 2003 Engine

1998 Chevy S10 Wiring Diagram Schema Wiring Diagram

2000 Pontiac Sunfire Wiring Diagram Another Blog About Wiring Diagram

Chevrolet Cavalier 19972000 22l Engine Schematic Diagram All About

Chevy Alternator And Starter Wiring Technical Help Video 6 Youtube

Repair Guides Starting System Starter Autozone Com

Symptoms Of A Bad Ignition Relay Function Location Mechanic Base

2001 Chevy Cavalier Wiring Harness Diagram Lovely 2002 Chevy

Wiring Diagram For 2000 Chevy Cavalier Electrical Schematic Wiring


Post a Comment

free page hit counter